legines.com
Никелированное восстановление соска 2501

Никелированное восстановление соска 2501

Ниппелированное соло
-Малевые потоки NPT для подключения к женским резьбовым трубам
-Гексагональная средняя секция для затягивания с гаечным ключом
-Брасс для коррозионной устойчивости, пластичности при высоких температурах и низкой магнитной проницаемости

Типичное применение:
Смазка, охлаждение, приборы и гидравлические системы.

Преимущества:
Dryseal Tipe Threads (BSPT (R)/BSP (G).

Связаться с нами

Спецификации

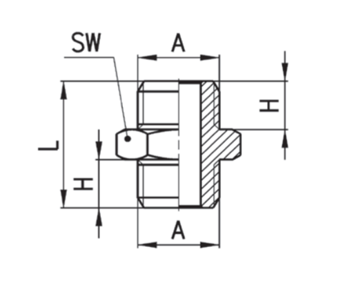
ЧАСТЬ#

Размер потока а

С.В.

Л

ЧАС

2501-M5

M5

8

11.5

4.0

2501-A

G1/8

13

16.5

6.0

2501-b

G1/4

17

21.0

8.0

2501-c

G3/8

19

23.0

9.0

2501-D

G1/2

24

25.5

10.0

Контакт с нами

О LEGINES

Legines Industrial Machinery Inc.

Как профессиональные производители латунных фитингов в Китае и нажимают на поставщиков фитингов. Он принимает полную обработку с ЧПУ и владеет площадью мастерской 3600 квадратных метров. 45 Автоматические машины, 35 полуавтоматических станок с ЧПУ, а также дистрибьюторов, которые стали важными поставщиками для производства латунных деталей американского стандарта в Китае ...
  • честь
  • честь

ИНСТРУКЦИИ & Новости