legines.com
64# латунные сжатия

64# латунные сжатия

Сжатие латунного союза.

Приложения: Рынки:
■■ Воздушные линии ■■ Промышленное
■■ Смазочные линии ■■ Упаковка
■■ Охлаждающие линии ■■ Пневматический
■■ Промышленность ■■ Печать
■■ Машины
■■ Компрессоры
■■ Перенос жидкости

Особенности продукта:
■■ Соответствует функциональным требованиям SAE J-512
■■ UL перечислен для легковоспламеняющейся жидкости
■■ Латунный или ацетальный рукав доступен
■■ Нет подготовки трубки
■■ Кованые и экструдированные формы

Справочная часть №:
64 -164c -S64 -64a

Связаться с нами

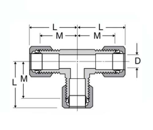
Спецификации

ЧАСТЬ#

Размер трубки О.Д.

М

М

Дюймовый

64-2

1/8

/

.53

.94

64-3

3/16

/

.59

.125

64-4

1/4

/

.627

.188

64-5

5/16

/

.65

.250

64-6

3/8

/

.73

.312

64-8

1/2

/

.94

.406

64-10

5/8

/

1.06

.500

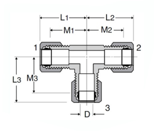
ЧАСТЬ#

Размер трубки

М1

М2

M3

64-4-4-6

1/4x1/4x3/8

.69

.69

.75

64-4-6-4

1/4x3/8x1/4

.69

.75

.69

64-6-6-4

3/8x3/8x1/4

.75

.75

.69

64-8-8-6

1/2x1/2x3/8

.94

.94

.81

64-10-10-8

5/8x5/8x1/2

1.06

1.06

1.06

*Ref.Sae № 060401 BA

Наши сжатые фитинги из 64 латунных союзов представлены для летающей жидкости и соответствуют функциональным требованиям SAE J-512. Доступные в подваленных или экструдированных формах, они доступны как с обработанными, так и с гнездями и в латунном или ацетальном рукаве. Доступно с латунными или ацетальными рукавами, все компоненты предназначены для легкой установки, поэтому ваша установка идет гладко.

Контакт с нами

О LEGINES

Legines Industrial Machinery Inc.

Как профессиональные производители латунных фитингов в Китае и нажимают на поставщиков фитингов. Он принимает полную обработку с ЧПУ и владеет площадью мастерской 3600 квадратных метров. 45 Автоматические машины, 35 полуавтоматических станок с ЧПУ, а также дистрибьюторов, которые стали важными поставщиками для производства латунных деталей американского стандарта в Китае ...
  • честь
  • честь

ИНСТРУКЦИИ & Новости