legines.com
54# SAE 45 ° Flare Brass Fitings Кованые 45 ° мужского локтя

54# SAE 45 ° Flare Brass Fitings Кованые 45 ° мужского локтя

Особенности продукта:
■■ Вся медная конструкция
■■ Сопротивляется вибрации с использованием длинного ореха
■■ UL LISTING
■■ Функциональные требования SAE J512 и J513


Рынки: Приложения:
■■ Охлаждение ■■ Хладагенные линии
■■ Тяжелый грузовик ■■ Пропан
■■ Мобильный ■■ Топливо
■■ Промышленное ■■ Адаптеры
■■ Обогрев ■■ Природный газ
■■ Кондиционер

Справочная часть №:
E415 -654F -47 -54 -59FF -4945 -159F -254 -10448-10459

Связаться с нами

Спецификации

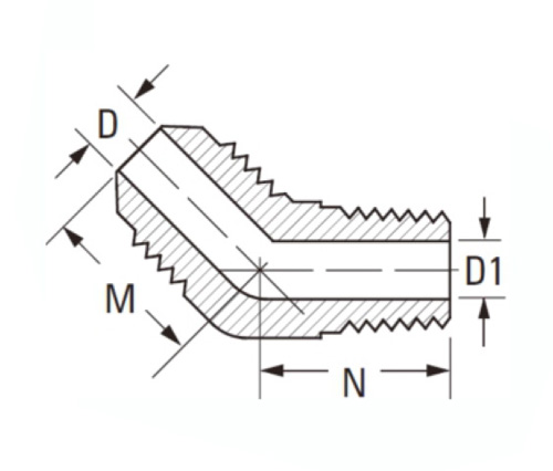
ЧАСТЬ#

Flare O.Дюймовый × Thared

D

D1

М

Не

54-4A

1/4 × 1/8

.189

.219

.67

.64

54-4B

1/4 × 1/4

.189

.312

.75

.86

54-5A

5/16 × 1/8

.219

.219

.78

.64

54-5B

5/16 × 1/4

.219

.312

.81

.86

54-6B

3/8 × 1/4

.282

.312

.91

.86

54-6с

3/8 × 3/8

.282

.438

.93

.94

54-6d

3/8 × 1/2

.282

.562

.99

1.17

54-8с

1/2 × 3/8

.408

.438

1.07

.88

54-8d

1/2 × 1/2

.408

.562

1.12

1.17

54-10с

5/8 × 3/8

.500

.438

1.13

.95

54-10d

5/8 × 1/2

.500

.562

1.13

1.17

54-12d

3/4 × 1/2

.625

.750

1.28

1.17

54-12E

3/4 × 3/4

.625

.750

1.41

1.20

*Ref.Sae № 010302

Это латунная фитинга SAE на 45 °, которая оснащена кованым мужским локтем на 45 °. Функциональные требования SAE J512 и J513 выполняются этой подготостью, в то время как использование длинной гайки снижает вибрацию с использованием.

Контакт с нами

О LEGINES

Legines Industrial Machinery Inc.

Как профессиональные производители латунных фитингов в Китае и нажимают на поставщиков фитингов. Он принимает полную обработку с ЧПУ и владеет площадью мастерской 3600 квадратных метров. 45 Автоматические машины, 35 полуавтоматических станок с ЧПУ, а также дистрибьюторов, которые стали важными поставщиками для производства латунных деталей американского стандарта в Китае ...
  • честь
  • честь

ИНСТРУКЦИИ & Новости