legines.com
3200# Адаптерные фитинги Extender

3200# Адаптерные фитинги Extender

Особенности продукта: Рынки:
■■ Вся медная конструкция ■■ Промышленное
■■ Соответствует функциональным требованиям ■■ Строительство
SAE J530 и SAE J531 ■■ Тяжелый грузовик
■■ Нити, сделанные в соответствии с Driseal Standards ■■ Мобильный
■■ Иначны, и экстраогионы доступны ■■ Фабрика/автоматизация процесса

Приложения: совместимая трубка:
■■ Воздушные линии ■■ Медь
■■ Водяная линия ■■ Латунь
■■ Охлаждающие линии ■■ Железная труба

Технические характеристики:
Диапазон давления до 1000 фунтов на квадратный дюйм
Диапазон температуры от -65 ° до 250 ° F

Типичное применение:
Смазка, топливо, LP и природный газ, холодильник. Инструкция и гидравлические системы

Соответствие:
Соответствует спецификациям и стандартам ASA, ASME и SAE.

Справочная часть №:
375 -222P -3200 -R1 -120AH -120B

Связаться с нами

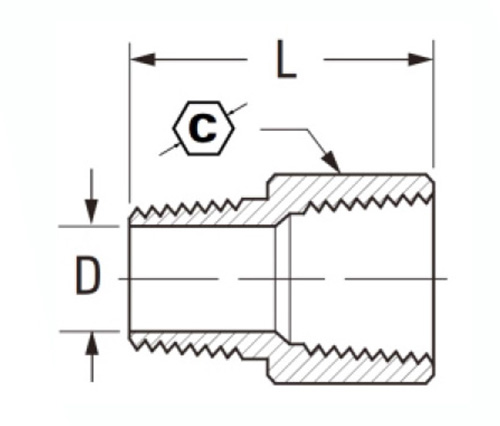
Спецификации

ЧАСТЬ#

Размер потока

В

Фон

Л

3200-AA

F1/8 × M1/8

1/2

.219

.88

3200L-AA

F1/8 × M1/8

9/16

.219

.83

3200-BA

F1/4 × M1/8

3/4

.219

1.06

3200L-BA

F1/4 × M1/8

11/16

.219

.94

3200LL-BA

F1/4 × M1/8

5/8

.219

.94

3200-BB

F1/4 × M1/4

3/4

.312

1.25

3200L-BB

F1/4 × M1/4

11/16

.312

1.00

3200LL-BB

F1/4 × M1/4

5/8

.312

1.00

3200-CA

F3/8 × M1/8

7/8

.219

1.00

3200-CB

F3/8 × M1/4

7/8

.312

1.25

3200L-CB

F3/8 × M1/4

13/16

.312

1.12

3200-CC

F3/8 × M3/8

7/8

.438

1.24

3200L-CC

F3/8 × M3/8

13/16

.438

1.12

3200-дБ

F1/2 × M1/4

1-1/16

.312

1.46

3200-DC

F1/2 × M3/8

1-1/16

.438

1.47

3200L-DC

F1/2 × M3/8

15/16

.438

1.19

3200-DD

F1/2 × M1/2

1-1/16

.562

1.66

3200L-DD

F1/2 × M1/2

15/16

.562

1.31

3200-EC

F3/4 × M3/8

1-1/4

.438

1.59

3200-ed

F3/4 × M1/2

1-1/4

.563

1.69

3200-EE

F3/4 × M3/4

1-1/4

.750

1.69

*L: свет

*Ref.Sae № 130139

Адаптерные фитинги изготовлены как из, так и из -за вытяжений и совместимы с широким спектром труб, включая воздушные линии, линии воды и т. Д. Совместимый с медной и латунной трубкой, этот продукт может обрабатывать диапазон давления до 1000 фунтов на квадратный дюйм. Все фитинги сделаны в США. Серия 3200 - адаптерные фитинги серии 200 от RSE предназначены для расширения длины труб. Прочная, вся латунная конструкция делает эти разъемы идеальными для промышленных, грузовых и мобильных приложений. Эти фитинги могут соединить любой 2 -дюймовый размер трубы и иметь диапазон давления от 500 до 1000 фунтов на квадратный дюйм с температурами в диапазоне от -65 ° до 250 ° Fahrenheit. Также доступен в размерах от 1/8 дюйма до 6 ”. Он оснащен переразированным телом из бронзы, который обеспечивает защиту от коррозии, поэтому фитинг может использоваться на различных уровнях давления воды. Женский конец резьбовой и имеет три установленных винтов.

Контакт с нами

О LEGINES

Legines Industrial Machinery Inc.

Как профессиональные производители латунных фитингов в Китае и нажимают на поставщиков фитингов. Он принимает полную обработку с ЧПУ и владеет площадью мастерской 3600 квадратных метров. 45 Автоматические машины, 35 полуавтоматических станок с ЧПУ, а также дистрибьюторов, которые стали важными поставщиками для производства латунных деталей американского стандарта в Китае ...
  • честь
  • честь

ИНСТРУКЦИИ & Новости