legines.com
24 м Престо коллектор

24 м Престо коллектор

Особенности продукта:
■■ Медный кольт
■■ Buna n-o-ring
■■ Опорос трубки из нержавеющей стали
■■ Встречает D.O.T. FMVSS571.106
■■ Встречает SAE J2494-3
■■ Композитный корпус - прочный, легкий, компактный и ударный
■■ Подключаемые конфигурации

Рынки:
■■ Тяжелый грузовик
■■ Трейлер
■■ Мобильный

Приложения:
■■ Воздушные тормоза
■■ Воздушные баки
■■ Воздушная езда
■■ Ползунки
■■ Инфляция шин
■■ Первичные и второстепенные линии
■■ CAB Controls

Связаться с нами

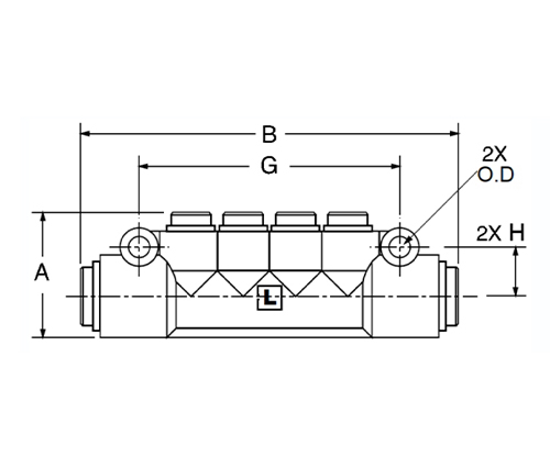
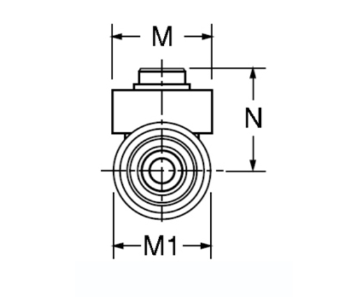
Спецификации

ЧАСТЬ

Нет.

Трубка О.Д.

Лнлет

Трубка О.Д.

Выход

А Беременный Дюймовый Глин ЧАС М М1 Не
24M-4-4 1/4 1/4 1.33 3.98 .21 2.75 .53 .90 .88 .89
24m-6-4 3/8 1/4 1.33 4.00 .21 2.75 .53 .90 .88 .89
24M-6-6 3/8 3/8 1.65 6.49 .22 4.55 .60 1.02 1.02 1.33
24M-8-8 1/2 1/2 1.65 6.49 .22 4.55 .60 1.02 1.02 1.33
24M-8-6-4-4-6-8 1/2 3/8 и 1/4 1.65 6.49 .22 4.55 .60 1.02 1.02 1.17

24M Presto Medifold создан для обеспечения легкого, быстрого и надежного обслуживания. Композитный корпус с сильным, легким, устойчивым к ударным и компактным конструкциям обеспечивает прочность, одновременно уменьшая объем. 24-метровый Presto Medifold предназначен для удовлетворения D.O.T FMVSSS571.106, SAE J2494-3 для применений высокого давления. Его возможности Plug & Play позволяют максимально универсально в любом приложении.

Контакт с нами

О LEGINES

Legines Industrial Machinery Inc.

Как профессиональные производители латунных фитингов в Китае и нажимают на поставщиков фитингов. Он принимает полную обработку с ЧПУ и владеет площадью мастерской 3600 квадратных метров. 45 Автоматические машины, 35 полуавтоматических станок с ЧПУ, а также дистрибьюторов, которые стали важными поставщиками для производства латунных деталей американского стандарта в Китае ...
  • честь
  • честь

ИНСТРУКЦИИ & Новости