legines.com
1565 Push In Connect Fittings Колон

1565 Push In Connect Fittings Колон

Особенности продукта:
■■ Медный кольт
■■ Buna n-o-ring
■■ Опорос трубки из нержавеющей стали
■■ Встречает D.O.T. FMVSS571.106
■■ Встречает SAE J2494 & SAE J2494-3

Рынки:
■■ Тяжелый грузовик
■■ Трейлер
■■ Мобильный

Приложения:
■■ Воздушные тормоза
■■ Воздушные баки
■■ Воздушная езда
■■ Ползунки
■■ Инфляция шин
■■ Первичные и второстепенные линии

Совместимая трубка:
■■ SAE J844 Тип A & B Нейлоновые трубки

Справочная часть №:
AQ65DOT -165PMT -1865 -DQ65DOT -1565 -DOT

Связаться с нами

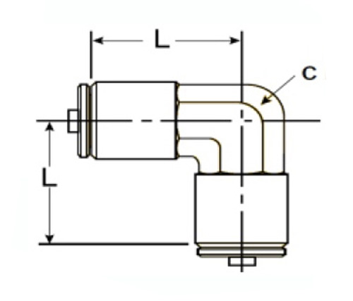
Спецификации

ЧАСТЬ# Трубка О.Д. В Л
1565-DOT-4 1/4 3/8 .92
1565-DOT-6 3/8 1/2 .96
1565-DOT-8 1/2 5/8 1.16
1565-DOT-10 5/8 11/16 1.19
1565-DOT-12 3/4 15/16 1.40

Нажмите на примерку для нейлоновых труб SAE J844 типа A, B, C и D. Используется с уплотнительным кольцом Buna и опорной трубкой из нержавеющей стали, чтобы обеспечить безопасную установку шлангов, таких как воздушные тормоза, линии рулевого управления и многое другое. Подгонка изготовлена из высококачественных материалов для обеспечения правильной функциональности и долгого срока службы. У него есть латунный кольт. Эта фитинга изготавливается TUSA P/N: 1565-DOT.Pneumatic Connect Fitings используется в сочетании с трубками для создания беспроблемной, постоянной или временной сборки, которая использует стандартные пневматические компоненты. $.

Контакт с нами

О LEGINES

Legines Industrial Machinery Inc.

Как профессиональные производители латунных фитингов в Китае и нажимают на поставщиков фитингов. Он принимает полную обработку с ЧПУ и владеет площадью мастерской 3600 квадратных метров. 45 Автоматические машины, 35 полуавтоматических станок с ЧПУ, а также дистрибьюторов, которые стали важными поставщиками для производства латунных деталей американского стандарта в Китае ...
  • честь
  • честь

ИНСТРУКЦИИ & Новости