legines.com
1570 D.O.T 90 ° Адаптер локтя

1570 D.O.T 90 ° Адаптер локтя

Особенности продукта:
■■ Медный кольт
■■ Buna n-o-ring
■■ Опорос трубки из нержавеющей стали
■■ Встречает D.O.T. FMVSS571.106
■■ Встречает SAE J2494 & SAE J2494-3

Рынки:
■■ Тяжелый грузовик
■■ Трейлер
■■ Мобильный

Приложения:
■■ Воздушные тормоза
■■ Воздушные баки
■■ Воздушная езда
■■ Ползунки
■■ Инфляция шин
■■ Первичные и второстепенные линии

Совместимая трубка:
■■ SAE J844 Тип A & B Нейлоновые трубки

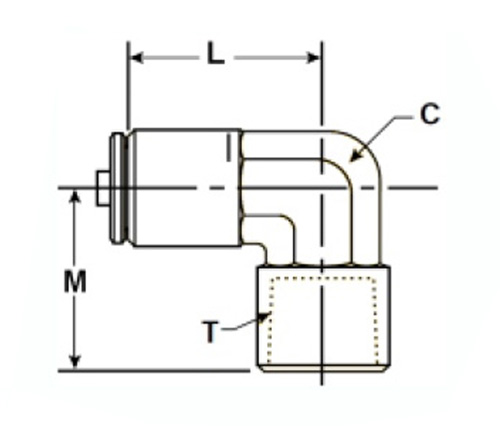
Справочная часть №:
AQ70DOT -170PMT -1870 -DQ70DOT -1570DOT

Связаться с нами

Спецификации

ЧАСТЬ#

Tube O.D × Femlae NPTF

В

М

Л

1570-DOT-4A

1/4 × 1/8

3/8

.82

.92

1570-DOT-4B

1/4 × 1/4

1/2

.94

.102

1570-DOT-4C

1/4 × 3/8

5/8

.98

1.11

1570-DOT-6B

3/8 × 1/4

1/2

.94

.96

1570-DOT-6C

3/8 × 3/8

5/8

.91

.98

1570-DOT-8D

1/2 × 1/2

5/8

1.21

1.14

Адаптер локтя SAE J1570 DOT 90 ° оснащен латунным кольтом и уплотнительным кольцом Buna N Type для без утечки и легкой установки, в то время как поддержка труб из нержавеющей стали обеспечивает долговечность. Он встречается с Д.О.Т. Требования, встреча FMVSSS571.106, SAE J2494 & SAE J2494-3 Спецификации для использования с нейлоновыми трубками SAE J844 Тип A & B в тяжелых грузовиках, трейлере и мобильных приложениях. Этот адаптер латунной локвы на 90 ° является прочным соединением между двумя кусочками 3/16 SAE Air Brake Twang. Низкопрофильная конструкция этого адаптера позволяет ему поместиться в узких пространствах, но при этом остается достаточно сильным, чтобы соответствовать спецификации DOT. Этот латунный локоть предназначен для того, чтобы быть установленным на конце ваших воздушных линий, что позволяет им поворачивать углы в узких местах. Он сделан из коррозионных материалов и содержит трубку опорной из нержавеющей стали, которая держит ее крепкую.

Контакт с нами

О LEGINES

Legines Industrial Machinery Inc.

Как профессиональные производители латунных фитингов в Китае и нажимают на поставщиков фитингов. Он принимает полную обработку с ЧПУ и владеет площадью мастерской 3600 квадратных метров. 45 Автоматические машины, 35 полуавтоматических станок с ЧПУ, а также дистрибьюторов, которые стали важными поставщиками для производства латунных деталей американского стандарта в Китае ...
  • честь
  • честь

ИНСТРУКЦИИ & Новости