legines.com
BSP нержавеющая сталь уличная локоть

BSP нержавеющая сталь уличная локоть

BSP нержавеющая сталь уличная локоть фитинги 2020

Типичное применение:
Смазка, охлаждение, приборы и гидравлические системы.

Преимущества:
Dryseal Tipe Threads (BSPT (R)/BSP (G).

Связаться с нами

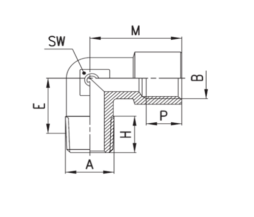
Спецификации

ЧАСТЬ#

Размер потока a × b

С.В.

М

Эн

2020-A R1/8 × g/18 11 19 16
2020-B R1/4 × G1/4 12 23 20
2020-c R3/8 × G3/8 15 25 22
2020-D R1/2 × G1/2 20 31 28
2020-e R3/4 × G3/4 24 36.5 30

Контакт с нами

О LEGINES

Legines Industrial Machinery Inc.

Как профессиональные производители латунных фитингов в Китае и нажимают на поставщиков фитингов. Он принимает полную обработку с ЧПУ и владеет площадью мастерской 3600 квадратных метров. 45 Автоматические машины, 35 полуавтоматических станок с ЧПУ, а также дистрибьюторов, которые стали важными поставщиками для производства латунных деталей американского стандарта в Китае ...
  • честь
  • честь

ИНСТРУКЦИИ & Новости