legines.com
70# кованые 90 ° женские компрессионные фитинги

70# кованые 90 ° женские компрессионные фитинги

Приложения: Рынки:
■■ Воздушные линии ■■ Промышленное
■■ Смазочные линии ■■ Упаковка
■■ Охлаждающие линии ■■ Пневматический
■■ Промышленность ■■ Печать
■■ Машины
■■ Компрессоры
■■ Перенос жидкости

Особенности продукта:
■■ Соответствует функциональным требованиям SAE J-512
■■ UL перечислен для легковоспламеняющейся жидкости
■■ Латунный или ацетальный рукав доступен
■■ Нет подготовки трубки
■■ Кованые и экструдированные формы

Справочная часть №:
70 -170c -S70 -70a

Связаться с нами

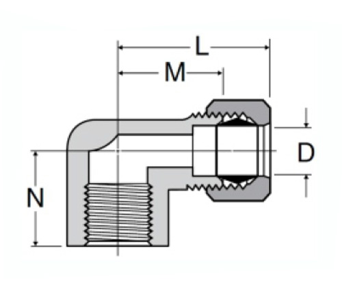
Спецификации

ЧАСТЬ#

Tube o.d x femalr nptf

Не

М

Дюймовый

70-3A

3/16x1/8

.470

.69

.125

70-4A

1/4x1/8

.470

.69

.188

70-4B

1/4x1/4

.562

.75

.188

70-5A

5/16x1/8

.600

.78

.234

70-5B

5/16x1/4

.562

.78

.250

70-6B

3/8x1/4

.580

.81

.312

70-6с

3/8x3/8

.580

.88

.312

70-8b

1/2x1/4

.700

1.00

.312

70-8с

1/2x3/8

.700

1.00

.406

70-8d

1/2x1/2

.880

1.00

.406

*Ref.Sae № 060203 Ba

Коватый женский локоть 70#-это надежная компрессионная подгонка, сделанная для встречи с SAE J-512. Эта подгонка разработана с углом 90 ° относительно оси трубки и может использоваться для разветвления или угла в любое время после установки. Кованая латунная или ацетальная рукава обеспечивает легкую сборку без необходимости подготовки трубки.
Женский локоть 70 градусов используется для управления потоком и может использоваться в мягкой стали, нержавеющей стали, алюминиевой и пластмассы. Женский локоть на 70 градусов включает в себя пластиковый или латунный рукав, который обеспечивает коррозионную стойкость. Эта подгонка совместима с мягкими стенами, а размер шеи соответствует OD трубки при сборке.

Контакт с нами

О LEGINES

Legines Industrial Machinery Inc.

Как профессиональные производители латунных фитингов в Китае и нажимают на поставщиков фитингов. Он принимает полную обработку с ЧПУ и владеет площадью мастерской 3600 квадратных метров. 45 Автоматические машины, 35 полуавтоматических станок с ЧПУ, а также дистрибьюторов, которые стали важными поставщиками для производства латунных деталей американского стандарта в Китае ...
  • честь
  • честь

ИНСТРУКЦИИ & Новости