legines.com
72# сжатие фитинги мужской ветвь

72# сжатие фитинги мужской ветвь

Приложения: Рынки:
■■ Воздушные линии ■■ Промышленное
■■ Смазочные линии ■■ Упаковка
■■ Охлаждающие линии ■■ Пневматический
■■ Промышленность ■■ Печать
■■ Машины
■■ Компрессоры
■■ Перенос жидкости

Особенности продукта:
■■ Соответствует функциональным требованиям SAE J-512
■■ UL перечислен для легковоспламеняющейся жидкости
■■ Латунный или ацетальный рукав доступен
■■ Нет подготовки трубки
■■ Кованые и экструдированные формы

Справочная часть №:
72 -172c -S72 -72a

Связаться с нами

Спецификации

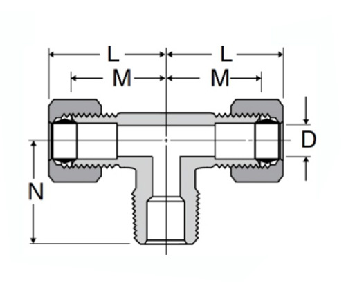
ЧАСТЬ#

Tube O.Дюймовый × мужской НеPTF

М

N

D

72-3A

3/16 × 1/8

.63

.69

.125

72-4A

1/4 × 1/8

.63

.75

.188

72-4B

1/4 × 1/4

.69

.88

.188

72-5A

5/16 × 1/8

.72

.75

.250

72-5B

5/16 × 1/4

.75

.88

.250

72-6A

3/8 × 1/8

.75

.75

.312

72-6B

3/8 × 1/4

.79

.87

.312

72-6с

3/8 × 3/8

.88

1.00

.330

72-8с

1/2 × 3/8

.94

1.09

.406

72-8d

1/2 × 1/2

.97

1.19

.406

72-10d

5/8 × 1/2

1.06

1.31

.500

Все компрессионные фитинги изготавливаются для удовлетворения или превышения функциональных требований SAE J-512 и UL, перечисленных для легковоспламеняющейся жидкости. Они сделаны из алюминиевого сплава, латуни или ацетала. Наши поддельные и экструдированные формы имеют высокую степень сопротивления повреждению, которое обычно происходит в более обычных фитингах. Мы сделаем любую форму, которую вы можете себе представить до максимального диаметра 2 ».
Компрессионная фитинга мужская ветвя представляет собой фитинг фитиации типа филиала 90 ° для использования с медной, нержавеющей стали и термопластичной трубкой. Вершины локтя 360 °, чтобы облегчить подключение к жестким углам и футболкам.

Контакт с нами

О LEGINES

Legines Industrial Machinery Inc.

Как профессиональные производители латунных фитингов в Китае и нажимают на поставщиков фитингов. Он принимает полную обработку с ЧПУ и владеет площадью мастерской 3600 квадратных метров. 45 Автоматические машины, 35 полуавтоматических станок с ЧПУ, а также дистрибьюторов, которые стали важными поставщиками для производства латунных деталей американского стандарта в Китае ...
  • честь
  • честь

ИНСТРУКЦИИ & Новости