legines.com
49# SAE 45 ° Flare кованые 90 ° мужской латунные вспышки колена

49# SAE 45 ° Flare кованые 90 ° мужской латунные вспышки колена

Особенности продукта:
■■ Вся медная конструкция
■■ Сопротивляется вибрации с использованием длинного ореха
■■ UL LISTING
■■ Функциональные требования SAE J512 и J513


Рынки: Приложения:
■■ Охлаждение ■■ Хладагенные линии
■■ Тяжелый грузовик ■■ Пропан
■■ Мобильный ■■ Топливо
■■ Промышленное ■■ Адаптеры
■■ Обогрев ■■ Природный газ
■■ Кондиционер

Справочная часть №:
249F -49 -E1 -149F -10283 до 10309 -S49

Связаться с нами

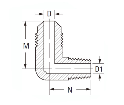
Спецификации

ЧАСТЬ#

Flare O.Дюймовый × Thread

D1

D

М

Не

49-2A

1/8 × 1/8

.219

.126

.63

.73

49-3A

3/16 × 1/8

.219

.126

.75

.75

49-4A

1/4 × 1/8

.219

.189

.81

.76

49-4b

1/4 × 1/4

.312

.189

.88

.94

49-4C

1/4 × 3/8

.438

.189

.92

1.01

49-4d

1/4 × 1/2

.562

.189

1.02

1.09

49-5A

5/16 × 1/8

.219

.219

.91

.88

49-5b

5/16 × 1/4

.312

.219

.95

.95

49-5с

5/16 × 3/8

.438

.219

.98

1.01

49-6A

3/8 × 1/8

.219

.282

1.00

.91

49-6b

3/8 × 1/4

.438

.282

1.06

1.01

49-6с

3/8 × 3/8

.438

.282

1.05

1.08

49-6d

3/8 × 1/2

.562

.282

1.10

1.00

49-8b

1/2 × 1/4

.312

.408

1.19

1.00

49-8с

1/2 × 3/8

.438

.408

1.19

1.00

49-8d

1/2 × 1/2

.562

.408

1.16

1.13

49-8e

1/2 × 3/4

.750

.408

1.38

1.38

49-10b

5/8 × 1/4

.312

.500

1.34

1.22

49-10с

5/8 × 3/8

.438

.500

1.34

1.22

49-10d

5/8 × 1/2

.562

.500

1.35

1.38

49-10E

5/8 × 3/4

.750

.500

1.44

1.38

49-12d

3/4 × 1/2

.562

.625

1.60

1.48

49-12E

3/4 × 3/4

.750

.625

1.60

1.62

*Данные измерения могут измениться без уведомления

* Ref.sae № 010202

Локоть 49 серии изготовлен из высококачественной латуни для длительного использования и подходит 1-1/16 ”Flare Connections. Конечное соединение Tube измеряет 3/4”, а женское соединение измеряет 5/8 ”.

Контакт с нами

О LEGINES

Legines Industrial Machinery Inc.

Как профессиональные производители латунных фитингов в Китае и нажимают на поставщиков фитингов. Он принимает полную обработку с ЧПУ и владеет площадью мастерской 3600 квадратных метров. 45 Автоматические машины, 35 полуавтоматических станок с ЧПУ, а также дистрибьюторов, которые стали важными поставщиками для производства латунных деталей американского стандарта в Китае ...
  • честь
  • честь

ИНСТРУКЦИИ & Новости