legines.com
39# SAE 45 ° Flare Brass Fittings Flaring Flare Place

39# SAE 45 ° Flare Brass Fittings Flaring Flare Place

Особенности продукта:
■■ Вся медная конструкция
■■ Сопротивляется вибрации с использованием длинного ореха
■■ UL LISTING
■■ Функциональные требования SAE J512 и J513


Рынки: Приложения:
■■ Охлаждение ■■ Хладагенные линии
■■ Тяжелый грузовик ■■ Пропан
■■ Мобильный ■■ Топливо
■■ Промышленное ■■ Адаптеры
■■ Обогрев ■■ Природный газ
■■ Кондиционер

Справочная часть №:
58 -57 -439 -639F -P2 -PF -2229 -10063 ~ 10069

Связаться с нами

Спецификации

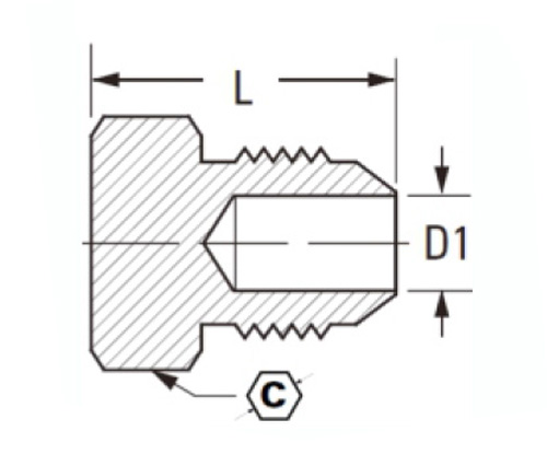
ЧАСТЬ# Трубка О.Д. В D1 Л
39-2 1/8 7/16 .079 .47
39-3 3/16 1/2 .126 .58
39-4 1/4 9/16 .189 .69
39-5 5/16 5/8 .220 .79
39-6 3/8 3/4 .282 .88
39-8 1/2 7/8 .408 1.06
39-10 5/8 1-1/16 .502 1.19
39-12 3/4 1-5/16 .627 1.30

*Ref.Sae № 010109

Этот латунный фитинг SAE 45 ° идеально подходит для охлаждения, кондиционирования воздуха и пропановых линий. Он имеет длинную гайку для сопротивления вибрации и совместим со стандартами SAE J512 и J513. Эта подгонка сделана из высококачественной латуни и производится в соответствии с точными стандартами для обеспечения превосходной производительности.

Контакт с нами

О LEGINES

Legines Industrial Machinery Inc.

Как профессиональные производители латунных фитингов в Китае и нажимают на поставщиков фитингов. Он принимает полную обработку с ЧПУ и владеет площадью мастерской 3600 квадратных метров. 45 Автоматические машины, 35 полуавтоматических станок с ЧПУ, а также дистрибьюторов, которые стали важными поставщиками для производства латунных деталей американского стандарта в Китае ...
  • честь
  • честь

ИНСТРУКЦИИ & Новости