legines.com
3325# Уменьшение фитингов труб с шестигранными сосками

3325# Уменьшение фитингов труб с шестигранными сосками

Особенности продукта: Рынки:
■■ Вся медная конструкция ■■ Промышленное
■■ Соответствует функциональным требованиям ■■ Строительство
SAE J530 и SAE J531 ■■ Тяжелый грузовик
■■ Нити, сделанные в соответствии с Driseal Standards ■■ Мобильный
■■ Иначны, и экстраогионы доступны ■■ Фабрика/автоматизация процесса

Приложения: совместимая трубка:
■■ Воздушные линии ■■ Медь
■■ Водяная линия ■■ Латунь
■■ Охлаждающие линии ■■ Железная труба

Технические характеристики:
Диапазон давления до 1000 фунтов на квадратный дюйм
Диапазон температуры от -65 ° до 250 ° F

Типичное применение:
Смазка, топливо, LP и природный газ, холодильник. Инструкция и гидравлические системы

Соответствие:
Соответствует спецификациям и стандартам ASA, ASME и SAE.

Справочная часть №:
216P -3325 -379 -122AH -122B

Связаться с нами

Спецификации

ЧАСТЬ#

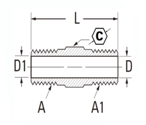
Размер потока

В

Дюймовый

D1

Л

3325L-AA

1/8 × 1/8

7/16

.219

.219

.91

3325-AA

1/8 × 1/8

7/16

.219

.219

.97

3325l-ba

1/4 × 1/8

9/16

.219

.219

1.00

3325-BA

1/4 × 1/8

91/6

.312

.219

1.19

3325L-BB

1/4 × 1/4

9/16

.312

.312

1.12

3325-BB

1/4 × 1/4

9/16

.312

.312

1.38

3325l-ca

3/8 × 1/8

11/16

.438

.219

1.11

3325-CA

3/8 × 1/8

11/16

.438

.219

1.22

3325L-CB

3/8 × 1/4

11/16

.438

.312

1.19

3325-CB

3/8 × 1/4

11/16

.438

.312

1.41

3325L-CC

3/8 × 3/8

11/16

.438

.438

1.25

3325-CC

3/8 × 3/8

11/16

.438

.438

1.41

3325L-DB

1/2 × 1/4

7/8

.562

.319

1.34

3325-дБ

1/2 × 1/4

7/8

.562

.319

1.62

3325L-DC

1/2 × 3/8

7/8

.562

.438

1.41

3325-DC

1/2 × 3/8

7/8

.562

.438

1.62

3325L-DD

1/2 × 1/2

7/8

.662

.662

1.50

3325-DD

1/2 × 1/2

7/8

.562

.562

1.81

3325-ed

3/4 × 1/2

1-1/16

.750

.562

1.50

3325-EE

3/4 × 3/4

1-1/16

.750

.750

1.96

3325-HH

1 "× 1"

1-3/8

.960

.960

2.30

* L: Свет

*Ref.Sae № 130137

Наша серия 3325, уменьшающая фитинги с шестигранными сосками, сделана из латунного сплава, который на 100% не имеет свинца. Мы предлагаем как нахождение, так и вытягивания этой подгонки. Каждый сосок производится для удовлетворения функциональных требований SAE J530 или SAE J531, обоих рынков грузовиков. Кованые 3325 серии серии доступны как в нитях большого, так и стандартного размера. Эти соски совместимы с медной, латуниной и железными трубками от ¼ ”до ½” графика 40. Наши заводские инженеры по продажам помогут вам убедиться, что вы подходят для вашей работы! Примечание по редкости 3325 Рядовой трубы соска используется для уменьшения размеров труб на внешнем диаметре. Серия 3325 оснащена настройками латунной конструкции и поставляется с сертификацией NACE, а также с маркировкой A-607, AWS и ASME на передней части. Доступно в различных давлениях до 1000 фунтов на квадратный дюйм.
Уменьшение фитингов с шестнадцатилетним сосками идеально подходит для большинства применений. Они обеспечивают компактные, экономичные конструкции и используются для объединения систем трубопроводов. Эти мужские и женские разъемы изготовлены из сильных кованых латунных материалов и оснащены точными обработанными потоками, чтобы обеспечить плавную работу.

Контакт с нами

О LEGINES

Legines Industrial Machinery Inc.

Как профессиональные производители латунных фитингов в Китае и нажимают на поставщиков фитингов. Он принимает полную обработку с ЧПУ и владеет площадью мастерской 3600 квадратных метров. 45 Автоматические машины, 35 полуавтоматических станок с ЧПУ, а также дистрибьюторов, которые стали важными поставщиками для производства латунных деталей американского стандарта в Китае ...
  • честь
  • честь

ИНСТРУКЦИИ & Новости