legines.com
3600# латунные фитинги

3600# латунные фитинги

Особенности продукта: Рынки:
■■ Вся медная конструкция ■■ Промышленное
■■ Соответствует функциональным требованиям ■■ Строительство
SAE J530 и SAE J531 ■■ Тяжелый грузовик
■■ Нити, сделанные в соответствии с Driseal Standards ■■ Мобильный
■■ Иначны, и экстраогионы доступны ■■ Фабрика/автоматизация процесса

Приложения: совместимая трубка:
■■ Воздушные линии ■■ Медь
■■ Водяная линия ■■ Латунь
■■ Охлаждающие линии ■■ Железная труба

Технические характеристики:
Диапазон давления до 1000 фунтов на квадратный дюйм
Диапазон температуры от -65 ° до 250 ° F

Типичное применение:
Смазка, топливо, LP и природный газ, холодильник. Инструкция и гидравлические системы

Соответствие:
Соответствует спецификациям и стандартам ASA, ASME и SAE.

Справочная часть №:
2224p -3600 -T9 -x106 -226 -329 -128 -28281 ~ 28285

Связаться с нами

Спецификации

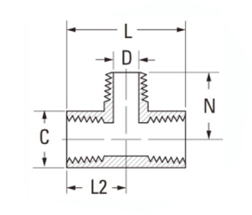
ЧАСТЬ# Размер потока В Дюймовый L2 Не
3600-A F1/8 × M1/8 9/16 .219 1.10 .66
3600-B F1/4 × M1/4 11/16 .315 1.56 .91
3600-c F3/8 × M3/8 13/16 .438 1.68 .97
3600-D F1/2 × M1/2 1 " .562 2.18 1.25
3600-e F3/4 × M3/4 1 "-1/4 .750 2.31 1.38

*Ref.Sae № 130425

Тяжелая филиала из филиала изготовлена из латуни с тяжелым датчиком, производимой в стандартах SAE J530 и SAE J531. Они доступны как в распадах, так и в экстразиях, что дает нам универсальность, чтобы предложить широкий спектр вариантов для наших клиентов. Построенные как с оценками давления и температуры, эти филиалы подходят для использования практически в любом промышленном процессе. Обе бренды труб могут быть успешно использованы с помощью этой фитинги. Наша линия медных и латунных филиалов обеспечивает вам превосходное качество и надежную производительность в самом широком диапазоне приложений. Наши квалифицированные инженеры могут помочь вам выбрать лучший продукт или разработать систему для удовлетворения ваших конкретных потребностей.

Контакт с нами

О LEGINES

Legines Industrial Machinery Inc.

Как профессиональные производители латунных фитингов в Китае и нажимают на поставщиков фитингов. Он принимает полную обработку с ЧПУ и владеет площадью мастерской 3600 квадратных метров. 45 Автоматические машины, 35 полуавтоматических станок с ЧПУ, а также дистрибьюторов, которые стали важными поставщиками для производства латунных деталей американского стандарта в Китае ...
  • честь
  • честь

ИНСТРУКЦИИ & Новости