legines.com
3151# латунные фитинги.

3151# латунные фитинги.

Особенности продукта: Рынки:
■■ Вся медная конструкция ■■ Промышленное
■■ Соответствует функциональным требованиям ■■ Строительство
SAE J530 и SAE J531 ■■ Тяжелый грузовик
■■ Нити, сделанные в соответствии с Driseal Standards ■■ Мобильный
■■ Иначны, и экстраогионы доступны ■■ Фабрика/автоматизация процесса

Приложения: совместимая трубка:
■■ Воздушные линии ■■ Медь
■■ Водяная линия ■■ Латунь
■■ Охлаждающие линии ■■ Железная труба

Технические характеристики:
Диапазон давления до 1000 фунтов на квадратный дюйм
Диапазон температуры от -65 ° до 250 ° F

Типичное применение:
Смазка, топливо, LP и природный газ, холодильник. Инструкция и гидравлические системы

Соответствие:
Соответствует спецификациям и стандартам ASA, ASME и SAE.

Справочная часть №:
3151 -211p -109a -109b

Связаться с нами

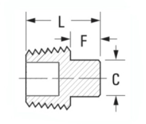
Спецификации

ЧАСТЬ#

Размер потока

В

Фон

Л

3151-A

1/8

.28

.24

.58

3151-b

1/8

.37

.29

.80

*3151L-B

1/4

.37

.29

.80

3151-c

3/8

.43

.32

.80

3151L-C

3/8

.43

.32

.80

3151-D

1/2

.56

.39

1.07

*3151L-D

1/2

.56

.39

1.07

3151-e

3/4

.62

.43

1.11

*3151L-E

3/4

.62

.43

1.11

*Пустое

Наша серия 3151 предлагает полный ассортимент фитингов трубки, используемых в воздушных линиях, водных линиях и системах смазки. Эти латунные фитинги изготовлены из материалов SAE J530 и SAE J531, чтобы удовлетворить ваше рабочее давление и температуры для надежного срока службы. Установки оснащены как настройками, так и доступными вытяжениями, а также коррозионными покрытиями, которые могут быть окрашены в любой стандарт OEM. Все латунные конструкция обеспечивает превосходную коррозионную стойкость и прочность. Эта подгонка соответствует стандарту J530 и совместима с прописной трубной резьбой. Независимо от того, строите ли вы новую воздушную линию или заменяете старые металлические фитинги современными технологиями, эти прочные фитинги помогут вам сделать работу правильно.
Квадратная заглушка изголовок изготавливается из латуни и может использоваться в различных приложениях, включая охлаждающие линии, линии водоснабжения, воздушные линии и электронные соединения. Каждый фитинг совместим с медными трубками или железной трубкой, а также латунными трубками.

Контакт с нами

О LEGINES

Legines Industrial Machinery Inc.

Как профессиональные производители латунных фитингов в Китае и нажимают на поставщиков фитингов. Он принимает полную обработку с ЧПУ и владеет площадью мастерской 3600 квадратных метров. 45 Автоматические машины, 35 полуавтоматических станок с ЧПУ, а также дистрибьюторов, которые стали важными поставщиками для производства латунных деталей американского стандарта в Китае ...
  • честь
  • честь

ИНСТРУКЦИИ & Новости