legines.com
3700# латунные фитинги Union Tee Tee Lass Pipe Fitings

3700# латунные фитинги Union Tee Tee Lass Pipe Fitings

Особенности продукта: Рынки:
■■ Вся медная конструкция ■■ Промышленное
■■ Соответствует функциональным требованиям ■■ Строительство
SAE J530 и SAE J531 ■■ Тяжелый грузовик
■■ Нити, сделанные в соответствии с Driseal Standards ■■ Мобильный
■■ Иначны, и экстраогионы доступны ■■ Фабрика/автоматизация процесса

Приложения: совместимая трубка:
■■ Воздушные линии ■■ Медь
■■ Водяная линия ■■ Латунь
■■ Охлаждающие линии ■■ Железная труба

Технические характеристики:
Диапазон давления до 1000 фунтов на квадратный дюйм
Диапазон температуры от -65 ° до 250 ° F

Типичное применение:
Смазка, топливо, LP и природный газ, холодильник. Инструкция и гидравлические системы

Соответствие:
Соответствует спецификациям и стандартам ASA, ASME и SAE.

Справочная часть №:
2203p -3700 -322 -203 -311 -101a -28024 ~ 28028 -101a

Связаться с нами

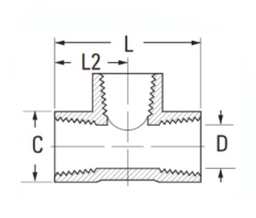
Спецификации

ЧАСТЬ#

Размер потока

В

Дюймовый

Л2

L

3700-A

1/8

9/16

.339

.55

1.10

3700-B

1/4

11/16

.438

.78

1.56

3700-c

3/8

13/16

.516

.84

1.68

3700-D

1/2

1 "

.703

1.09

2.18

3700-e

3/4

1 "-1/4

.906

1.38

2.31

*Ref.sae.no.130438

Эта подгонка Union Tee построена на 100% латуни и соответствует функциональным требованиям SAE J530, SAE J531, SAE J519 и SAE J529. Он предназначен для использования в мобильном оборудовании и строительных приложениях. Профсоюзы позволяют легко сборку и разборку во время очистки или ремонта. Подключения резьбовых соединений составлены в области Dryseal для предотвращения утечки. Когда дело доходит до проектирования и построения вашей системы трубопроводов, ответ 3700# Brass Fitings Union Tee является ответом. Это принесет профессиональный, долговечный взгляд на ваш проект, расширяя ваши варианты, когда дело доходит до установки. Эта футболка подойдет до 3/4 дюйма. Телеобразное тело и крышки сделаны из латуни, что делает эту подходящую устойчивую к коррозии и ржавчине.

Контакт с нами

О LEGINES

Legines Industrial Machinery Inc.

Как профессиональные производители латунных фитингов в Китае и нажимают на поставщиков фитингов. Он принимает полную обработку с ЧПУ и владеет площадью мастерской 3600 квадратных метров. 45 Автоматические машины, 35 полуавтоматических станок с ЧПУ, а также дистрибьюторов, которые стали важными поставщиками для производства латунных деталей американского стандарта в Китае ...
  • честь
  • честь

ИНСТРУКЦИИ & Новости