legines.com
1564 D.O.T Push in Fitting Tee

1564 D.O.T Push in Fitting Tee

Особенности продукта:
■■ Медный кольт
■■ Buna n-o-ring
■■ Опорос трубки из нержавеющей стали
■■ Встречает D.O.T. FMVSS571.106
■■ Встречает SAE J2494 & SAE J2494-3

Рынки:
■■ Тяжелый грузовик
■■ Трейлер
■■ Мобильный

Приложения:
■■ Воздушные тормоза
■■ Воздушные баки
■■ Воздушная езда
■■ Ползунки
■■ Инфляция шин
■■ Первичные и второстепенные линии

Совместимая трубка:
■■ SAE J844 Тип A & B Нейлоновые трубки

Справочная часть №:
AQ64DOT -164PMT -1864 -DQ64DOT -1564 -DOT

Связаться с нами

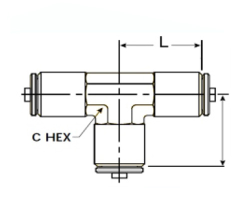
Спецификации

ЧАСТЬ# Размер трубки О.Д. В Л
1564-DOT-4 1/4 3/8 .95
1564-DOT-6 3/8 1/2 .96
1564-DOT-8 1/2 5/8 1.16
1564-DOT-10 5/8 11/16 1.19
1564-DOT-12 3/4 15/16 1.40

AQ64DOT-это полу-гибкий толчок на подгонке. Он оснащен уплотнительным кольцом, Buna N, который предназначен для высокого давления, низкотемпературных применений. Поддержка двойной трубки предотвращает вытягивание из трубки во время применений высокого давления. Материалом, используемым для этого продукта, представляет собой нержавеющая сталь SS304 и латунь с Buna N-o-кольцом, который соответствует требованиям SAE J2494 и SAE J2494-3. Этот продукт совместим с нейлоновыми трубками SAE J844 Type A & B. Dot Push-Intting Push-In Pitting состоит из латуни, оснащена уплотнительным кольцом, поддержкой трубки из нержавеющей стали и встречается с FMVSSS571.106, SAE J2494 & SAE J2494-3. Его можно использовать в тяжелых грузовых автомобилях, прицепах и мобильном оборудовании для транспортировки воздушных линий. Это подгонка позволяет легко отделить ваши воздушные линии от тормозной системы без необходимости разрезания каких -либо труб, тем самым повышая безопасность при обслуживании ваших тормозов.

Контакт с нами

О LEGINES

Legines Industrial Machinery Inc.

Как профессиональные производители латунных фитингов в Китае и нажимают на поставщиков фитингов. Он принимает полную обработку с ЧПУ и владеет площадью мастерской 3600 квадратных метров. 45 Автоматические машины, 35 полуавтоматических станок с ЧПУ, а также дистрибьюторов, которые стали важными поставщиками для производства латунных деталей американского стандарта в Китае ...
  • честь
  • честь

ИНСТРУКЦИИ & Новости