legines.com
65# 90 ° Мужские союзные сжатие локтя

65# 90 ° Мужские союзные сжатие локтя

Приложения: Рынки:
■■ Воздушные линии ■■ Промышленное
■■ Смазочные линии ■■ Упаковка
■■ Охлаждающие линии ■■ Пневматический
■■ Промышленность ■■ Печать
■■ Машины
■■ Компрессоры
■■ Перенос жидкости

Особенности продукта:
■■ Соответствует функциональным требованиям SAE J-512
■■ UL перечислен для легковоспламеняющейся жидкости
■■ Латунный или ацетальный рукав доступен
■■ Нет подготовки трубки
■■ Кованые и экструдированные формы

Справочная часть №:
65 -265 -65A -S65

Связаться с нами

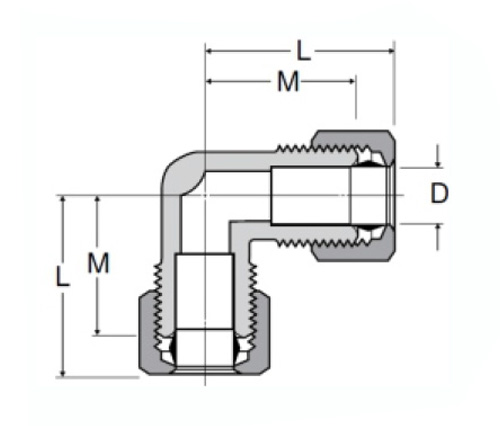
Спецификации

PRT# Размер трубки О.Д. М Дюймовый
65-3 3/16 .61 .125
65-4 1/4 .66 .188
65-5 5/16 .69 .250
65-6 3/8 .72 .312
65-8 1/2 .94 .406
65-10 5/8 1.06 .500
65-12 3/4 1.19 .562
65-6-4 3/8x1/4 .75/.69 .125
65-8-6 1/2x3/8 .94/.88 .312

В 65 серии 65-й серии в 65 раз легче, чем кованая фитинга, оснащена легким и коррозионным ацетальным или латунным корпусом, а также кованым латунным центральным штифтом. Эта подгонка позволяет вам адаптировать конец трубки под углом 90 градусов. Эта подгонка доступна в нескольких материалах и отделке, включая латунь, нержавеющую сталь и ацеталь. Каждый фитинг штамп с номером детали, обеспечивающий легкую идентификацию во всех точках цепочки поставок. Эта подмазочная сборка локтя обычно используется в топливных системах, где рекомендуются медные трубки с медной трубкой. Количество резьбов, необходимых для того, чтобы подключение может варьироваться в зависимости от материала трубы, толщины стенки и нити.

Контакт с нами

О LEGINES

Legines Industrial Machinery Inc.

Как профессиональные производители латунных фитингов в Китае и нажимают на поставщиков фитингов. Он принимает полную обработку с ЧПУ и владеет площадью мастерской 3600 квадратных метров. 45 Автоматические машины, 35 полуавтоматических станок с ЧПУ, а также дистрибьюторов, которые стали важными поставщиками для производства латунных деталей американского стандарта в Китае ...
  • честь
  • честь

ИНСТРУКЦИИ & Новости