legines.com
72# латунные самец

72# латунные самец

Матушка -самец

Приложения: Рынки:
■■ Воздушные линии ■■ Промышленное
■■ Смазочные линии ■■ Упаковка
■■ Охлаждающие линии ■■ Пневматический
■■ Промышленность ■■ Печать
■■ Машины
■■ Компрессоры
■■ Перенос жидкости

Особенности продукта:
■■ Соответствует функциональным требованиям SAE J-512
■■ UL перечислен для легковоспламеняющейся жидкости
■■ Латунный или ацетальный рукав доступен
■■ Нет подготовки трубки
■■ Кованые и экструдированные формы

71 -171c -71a -S71

Связаться с нами

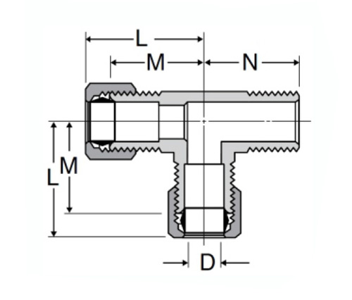
Спецификации

ЧАСТЬ#

Трубка O.Дюймовый × мужской НеPTF

М

N

D

71-3а

3/16 × 1/8

.63

.69

.125

71-4A

1/4 × 1/8

.63

.75

.188

71-4B

1/4 × 1/4

.69

.88

.188

71-5A

5/16 × 1/8

.72

.75

.250

71-5B

5/16 × 1/4

.75

.88

.250

71-6A

3/8 × 1/8

.75

.75

.312

71-6B

3/8 × 1/4

.79

.87

.312

71-6с

3/8 × 3/8

.88

1.00

.330

71-8с

1/2 × 3/8

.94

1.09

.406

71-8d

1/2 × 1/2

.97

1.19

.406

71-10d

5/8 × 1/2

1.06

1.31

.500

Наши фитинги с компрессионной магистралью 72. Эти фитинги не имеют подготовки трубки и являются поддельными и экструдированными формами. Они доступны в различных материалах, включая латунь, пластиковую и металлическую рукав. Он имеет латунный или ацетальный рукав и может использоваться в различных применениях, таких как подряд, трансмиссии и топливные системы. Подготовка трубки не требуется.

Контакт с нами

О LEGINES

Legines Industrial Machinery Inc.

Как профессиональные производители латунных фитингов в Китае и нажимают на поставщиков фитингов. Он принимает полную обработку с ЧПУ и владеет площадью мастерской 3600 квадратных метров. 45 Автоматические машины, 35 полуавтоматических станок с ЧПУ, а также дистрибьюторов, которые стали важными поставщиками для производства латунных деталей американского стандарта в Китае ...
  • честь
  • честь

ИНСТРУКЦИИ & Новости