legines.com
131 Стальная инвертированная тормозная линия

131 Стальная инвертированная тормозная линия

Особенности продукта:
■■ Вся медная конструкция
■■ UL перечислен для легковоспламеняющейся жидкости и газа
■■ Соответствует функциональным требованиям SAE J512
■■ Стальной орех для экономики

Рынки: Приложения:
■■ Кондиционер ■■ Хладагенные линии
■■ Морской пехотинец ■■ Тормозные линии
■■ Мобильный ■■ Топливные линии
■■ Двигатели

Совместимая трубка:
■■ Медь
■■ Латунь
■■ Алюминий
■■ Сварная стальная гидравлическая трубка

Связаться с нами

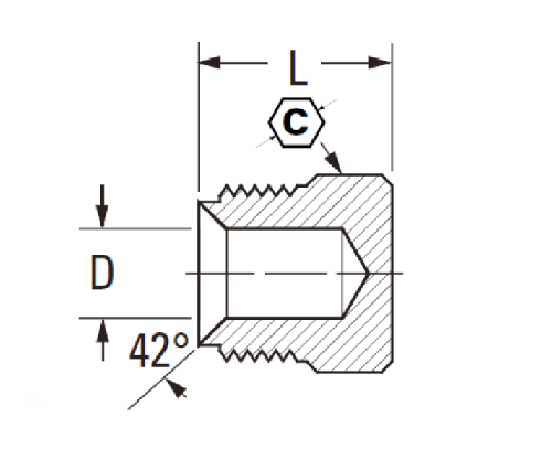
Спецификации

ЧАСТЬ#

Трубка О.Д.

В

Дюймовый

Л

131-3

3/16 3/8 .188

.53

131-4

1/4 7/16 .188 .54

131-5

5/16 1/2 .250 .59

131-6

3/8 5/8 .312 .66

*Ref.Sae № 040109 Ba

Наша 131 серия латунных инвертированных тормозных фитингов предназначена специально для газовых и топливных линий. Инвертированный дизайн обеспечивает без утечку соединение в жестких приложениях.
131 стальная инвертированная тормозная линейная заглушка представляет собой огненную или бензинную пробку, совместимую с инвертированной штекерной гаечной гаечной ключом, предназначенной для герметизации конец гибкой трубки клеммы. Он изготовлен из цинковой стали для коррозионной стойкости и интегральной пластиковой вставки, которая обеспечивает прочность против искажения. Также доступен с латунной конструкцией.
Этот продукт представляет собой латунную и стальную штекерную заглушку с инвертированной вспышкой. Это сделано, чтобы принять 1/8 трубку. Размер диаметром 0,53 дюйма на 0,54 дюйма, этот стиль заглушки можно использовать только на меди, стальной и алюминиевой трубке.
Экономика часто является названием игры в приложениях тормозной линии. И нет лучшего способа сэкономить деньги, чем с этой линейкой, которая удерживает свежий воздух в ваших линиях, но выглядит великолепно и будет длиться долгие годы. С стальной гайкой и латунной бочкой, это обязательно удовлетворит ваши потребности.

Контакт с нами

О LEGINES

Legines Industrial Machinery Inc.

Как профессиональные производители латунных фитингов в Китае и нажимают на поставщиков фитингов. Он принимает полную обработку с ЧПУ и владеет площадью мастерской 3600 квадратных метров. 45 Автоматические машины, 35 полуавтоматических станок с ЧПУ, а также дистрибьюторов, которые стали важными поставщиками для производства латунных деталей американского стандарта в Китае ...
  • честь
  • честь

ИНСТРУКЦИИ & Новости