legines.com
302 латунная тормозная линия Union Fiting

302 латунная тормозная линия Union Fiting

Особенности продукта:
■■ Вся медная конструкция
■■ UL перечислен для легковоспламеняющейся жидкости и газа
■■ Соответствует функциональным требованиям SAE J512
■■ Стальной орех для экономики

Рынки: Приложения:
■■ Кондиционер ■■ Хладагенные линии
■■ Морской пехотинец ■■ Тормозные линии
■■ Мобильный ■■ Топливные линии
■■ Двигатели

Совместимая трубка:
■■ Медь
■■ Латунь
■■ Алюминий
■■ Гидравлические трубки сварной стали

Справочная часть №:
302 -2300 -42ifhd

Связаться с нами

Спецификации

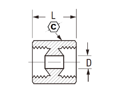
ЧАСТЬ#

Inv.Flare × Inv.Flare

В

Дюймовый

Л

302-2

1/8 13/32 .78

.59

302-3

3/16 15/32 .125

.62

302-4 1/4 17/32 .188 .62

302-5

5/16 19/32 .219 .70

302-6

3/8 3/4 .281 .80
302-8 1/2

29/32

.406

.91

*Ref.Sae № 040101 Ba

Эта подгонка союза используется для всех типов применений, таких как линии кондиционирования воздуха, линии хладагента, морские, мобильные топливные линии, двигатели и трансмиссии. Он состоит из латунной конструкции и имеет стальной орех для экономики.
Гибкая линейная линейная линия 302-серийной серии используется для соединения секций трубки со вспышкой. Серия 302 идеально подходит для тормозных линий, топливных линий и холодильных линий. Стальная гайка используется для обеспечения линии союза на месте. Серия 302 предназначена для использования с медной и алюминиевой трубкой.
Этот латунный союз позволяет быстро и надежно подключать участки труб. Он изготовлен из латуни, которая является теплостойкой и без коррозии. Его легко установить, благодаря своей прокладке Norprene Rubber, которая обеспечивает плотное уплотнение между конечными фитингами, уменьшением утечек или утечек. Союз подгонка совместима с трубками из меди, латуни или алюминия.
Этот союз предоставляет средства для соединения двух частей трубки. Основное тело изготовлено из латуни со стальным орехом для экономики. Ошибочный вход, который врезается в одну трубку, вписывается в канавку в корпусе подгонки союза, и втягивается на латунную вспышку. Вторая трубка проходит через внешнюю канавку, которая будет надежно закреплена внутренним штифтом, который также может быть помещен в свою собственную канавку, если это необходимо. .

Контакт с нами

О LEGINES

Legines Industrial Machinery Inc.

Как профессиональные производители латунных фитингов в Китае и нажимают на поставщиков фитингов. Он принимает полную обработку с ЧПУ и владеет площадью мастерской 3600 квадратных метров. 45 Автоматические машины, 35 полуавтоматических станок с ЧПУ, а также дистрибьюторов, которые стали важными поставщиками для производства латунных деталей американского стандарта в Китае ...
  • честь
  • честь

ИНСТРУКЦИИ & Новости