legines.com
100 латунная инвертированная фитинга -фитинга гайка

100 латунная инвертированная фитинга -фитинга гайка

Особенности продукта:
■■ Вся медная конструкция
■■ UL перечислен для легковоспламеняющейся жидкости и газа
■■ Соответствует функциональным требованиям SAE J512
■■ Стальной орех для экономики

Рынки: Приложения:
■■ Кондиционер ■■ Хладагенные линии
■■ Морской пехотинец ■■ Тормозные линии
■■ Мобильный ■■ Топливные линии
■■ Двигатели

Совместимая трубка:
■■ Медь
■■ Латунь
■■ Алюминий
■■ Гидравлические трубки сварной стали

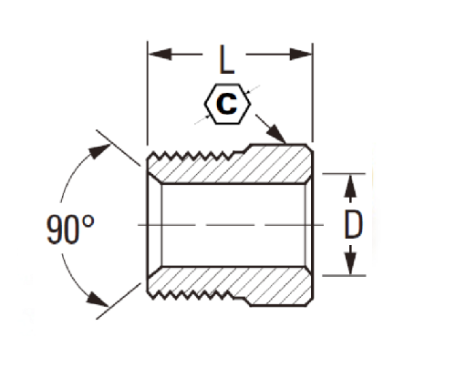
Справочная часть №:
2100 41if -100 -41ib

Связаться с нами

Спецификации

ЧАСТЬ#

Трубка О.Д.

В

Дюймовый

Л

100-3

3/16 3/8 .196

.56

100-4

1/4 7/16 .259 .56

100-5

5/16 1/2 .321 .62

100-6

3/8 5/8 .384 .66

100-8

1/2

3/4

.508

.74

*Ref.Sae № 040110 BA

Прочная и экономичная, эта инвертированная вспышка изготовлена из латуни. Подгонка включает в себя стальную гайку для безопасности и может использоваться с медной, латуниной или алюминиевой трубкой. Он соответствует всем функциональным требованиям SAE J512.
Строительство All-Brass, 100% ASME B16.28, SAE J512 & SAE J5195.0 Компрессорные фитинги предназначены для использования в высокотемпературных применениях пара и воды. Совместимость с ударами трубы, она может быть подключена к любой стальной трубке или трубе до 1 дюйма (25 миллиметров).
Эта инвертированная флеш -фитинговая гайка, широко известная как соединитель, предназначена для подключения двух кусочков труб в одной плоскости. В фитинге используется стальная гайка с вспышкой, который вписывается в женскую вспышку на другом конце трубки. Эти фитинги широко используются в множестве приложений от кондиционера до морских и мобильных дизельных двигателей.
Сверхмощная - эти инвертирующие вспышки изготовлены полностью из латуни и специально разработаны для использования с медной или алюминиевой трубкой. Каждый фитинг полностью регулируется, и тяжелая конструкция обеспечивает долговечность во время использования.

Контакт с нами

О LEGINES

Legines Industrial Machinery Inc.

Как профессиональные производители латунных фитингов в Китае и нажимают на поставщиков фитингов. Он принимает полную обработку с ЧПУ и владеет площадью мастерской 3600 квадратных метров. 45 Автоматические машины, 35 полуавтоматических станок с ЧПУ, а также дистрибьюторов, которые стали важными поставщиками для производства латунных деталей американского стандарта в Китае ...
  • честь
  • честь

ИНСТРУКЦИИ & Новости