legines.com
3350# 45 -градусный уличный локоть латунные трубы фитинги

3350# 45 -градусный уличный локоть латунные трубы фитинги

Особенности продукта: Рынки:
■■ Вся медная конструкция ■■ Промышленное
■■ Соответствует функциональным требованиям ■■ Строительство
SAE J530 и SAE J531 ■■ Тяжелый грузовик
■■ Нити, сделанные в соответствии с Driseal Standards ■■ Мобильный
■■ Иначны, и экстраогионы доступны ■■ Фабрика/автоматизация процесса

Приложения: совместимая трубка:
■■ Воздушные линии ■■ Медь
■■ Водяная линия ■■ Латунь
■■ Охлаждающие линии ■■ Железная труба

Технические характеристики:
Диапазон давления до 1000 фунтов на квадратный дюйм
Диапазон температуры от -65 ° до 250 ° F

Типичное применение:
Смазка, топливо, LP и природный газ, холодильник. Инструкция и гидравлические системы

Соответствие:
Соответствует спецификациям и стандартам ASA, ASME и SAE.

Справочная часть №:
306 -3350 -2214p -224 -124a

Связаться с нами

Спецификации

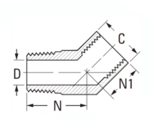
ЧАСТЬ# Размер потока В Дюймовый Не N1
3350-A 1/8 × 1/8 9/16 .219 .50 .38
3350-B 1/4 × 1/4 11/16 .315 .74 .56
3350-c 3/8 × 3/8 13/16 .438 .78 .56
3350-D 1/2 × 1/2 1 " .562 1.00 .76
3350-e 3/4 × 3/4 1 "-1/4 .750 1.06 .75

*Ref.Sae № 130339

3350 - уличная локоть на 45 градусов. Подгонка сделана для использования с различными различными материалами для трубопроводов и может выдерживать до 1000 фунтов на квадратный дюйм. Он также имеет диапазон рабочей температуры от -65 ° до 250 ° F. Наши 45 -градусные уличные локтевые латунные трубы подготовлены к вашей точной спецификации нашей командой опытных производителей. Уличный локоть - это фитинг труб, в котором есть две трубы на одном конце, а другой - изгиб на 90 ° в трубе. Уличные локти используются во многих различных отраслях от сантехники до транспорта. Уличные локти производятся в конфигурации женщин или мужчин, чтобы увеличить поток жидкостей или газов в рамках ряда давлений, температур и размеров линий, необходимых клиентом. .

Контакт с нами

О LEGINES

Legines Industrial Machinery Inc.

Как профессиональные производители латунных фитингов в Китае и нажимают на поставщиков фитингов. Он принимает полную обработку с ЧПУ и владеет площадью мастерской 3600 квадратных метров. 45 Автоматические машины, 35 полуавтоматических станок с ЧПУ, а также дистрибьюторов, которые стали важными поставщиками для производства латунных деталей американского стандарта в Китае ...
  • честь
  • честь

ИНСТРУКЦИИ & Новости