legines.com
3400# латунные трубные фитинги на улице 90 градусов

3400# латунные трубные фитинги на улице 90 градусов

Особенности продукта: Рынки:
■■ Вся медная конструкция ■■ Промышленное
■■ Соответствует функциональным требованиям ■■ Строительство
SAE J530 и SAE J531 ■■ Тяжелый грузовик
■■ Нити, сделанные в соответствии с Driseal Standards ■■ Мобильный
■■ Иначны, и экстраогионы доступны ■■ Фабрика/автоматизация процесса

Приложения: совместимая трубка:
■■ Воздушные линии ■■ Медь
■■ Водяная линия ■■ Латунь
■■ Охлаждающие линии ■■ Железная труба

Технические характеристики:
Диапазон давления до 1000 фунтов на квадратный дюйм
Диапазон температуры от -65 ° до 250 ° F

Типичное применение:
Смазка, топливо, LP и природный газ, холодильник. Инструкция и гидравлические системы

Соответствие:
Соответствует спецификациям и стандартам ASA, ASME и SAE.

Справочная часть №:
2202p -3400 -304 -115 -202 -116a -28156 до 2816

Связаться с нами

Спецификации

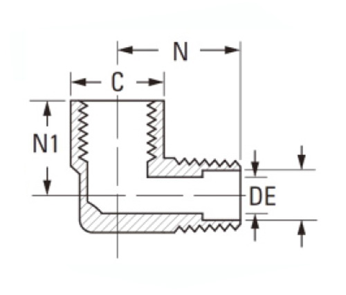
ЧАСТЬ# Размер потока В Дюймовый Не N1
3400-AA 1/8 × 1/8 9/16 .219 .66 .47
3400-BB 1/4 × 1/4 11/16 .315 .91 .72
3400-CC 3/8 × 3/8 13/16 .438 .97 .78
3400-DD 1/2 × 1/2 1 " .562 1.25 1.03
3400-EE 3/4 × 3/4 1-1/4 .750 1.38 1.12

Ref.Sae № 130239

3400# латунные трубные фитинги на 90 градусов улица локоть изготовлен из всех латунных конструкций и совместимы как с распадами, так и с экстразициями; Подгонки промышленного класса, которые соответствуют функциональным требованиям SAE J530 и SAE J531; Рынок: строительство, тяжелые грузовики и мобильные устройства. Оба стандарта следует работать над мобильными приложениями, которые представляют собой термопластичный каучук (TPR), были разработаны для использования в автомобильных, промышленных и коммерческих приложениях, где CPVC несовместим. Этот шварный конец на 90 градусов подходит для использования в гидравлических системах, особенно при работе под экстремальным давлением. Он доступен в широком диапазоне размеров и обладает исключительной коррозионной стойкостью. Этот фитинг используется для соединения воздушных линий, которые состоят из медных труб. Он имеет угол 90 градусов и изготовлен из латуни, поэтому он может выдерживать суровые погодные условия.

Контакт с нами

О LEGINES

Legines Industrial Machinery Inc.

Как профессиональные производители латунных фитингов в Китае и нажимают на поставщиков фитингов. Он принимает полную обработку с ЧПУ и владеет площадью мастерской 3600 квадратных метров. 45 Автоматические машины, 35 полуавтоматических станок с ЧПУ, а также дистрибьюторов, которые стали важными поставщиками для производства латунных деталей американского стандарта в Китае ...
  • честь
  • честь

ИНСТРУКЦИИ & Новости