legines.com
252 инвертированные факельные женские адаптерные фитинги

252 инвертированные факельные женские адаптерные фитинги

Особенности продукта:
■■ Вся медная конструкция
■■ UL перечислен для легковоспламеняющейся жидкости и газа
■■ Соответствует функциональным требованиям SAE J512
■■ Стальной орех для экономики

Рынки: Приложения:
■■ Кондиционер ■■ Хладагенные линии
■■ Морской пехотинец ■■ Тормозные линии
■■ Мобильный ■■ Топливные линии
■■ Двигатели

Совместимая трубка:
■■ Медь
■■ Латунь
■■ Алюминий
■■ Гидравлические трубки сварной стали

Справочная часть №:
461FHD -252 -46W

Связаться с нами

Спецификации

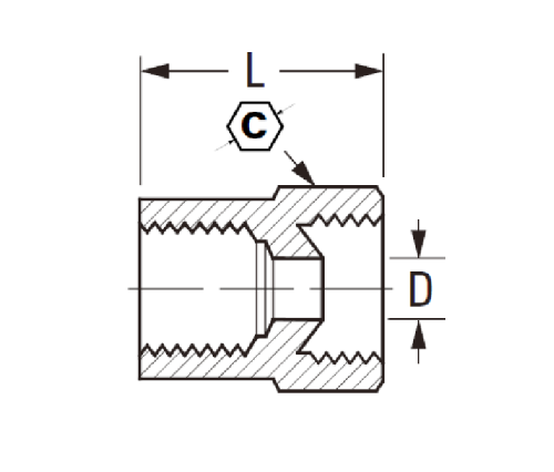
ЧАСТЬ#

Трубка o.d × нить

В

Дюймовый

Л

252-3A

3/16 × 1/8 15/32 .125 .62

252-4A

1/4 × 1/8 17/32 .188 .62

252-5B

5/16 × 1/4 19/32 .220 .70

252-6b

3/8 × 1/4 3/4 .281 .80

252-8с

1/2 × 3/8 29/32 .406 .91

*Ref.Sae № 040103 Ba

Этот латунный женский адаптер со вспышкой имеет инвертированную вспышку для использования со стандартными мужскими расклешенными фитингами. Он обеспечивает надежное уплотнение для предотвращения утечки и одобрен SAE J512. Стальная гайка рекомендуется для экономических приложений, где постоянно установленная фитинга вспышки все еще должна быть удалена или переустановлена за короткий промежуток времени.
Обеспечивая дополнительную универсальность и долговечность, серия 252 будет соответствовать трубам с внешним диаметром 3/16 ", 1/4", 5/16 "и 3/8". Это гарантирует, что он совместим практически со всеми вашим резервуаром. Вы также будете впечатлены его прочной конструкцией, обеспечивая долгую жизнь, независимо от того, сколько раз вы используете ее.
Эта подгонка адаптера предназначена для подключения труб к шлангам и клапанам. Сделанная из латуни, эта подгонка соответствует отраслевым стандартам и предназначена для использования в автомобильных и морских приложениях.
Женский адаптер с перевернутым вспышкой представляет собой женскую фитингу, которая совместима с нитями NPT 1/2 "SAE и трубкой SAE 3/8". Построенные из прочных материалов и разработанные для обширного использования, эти фитинги отлично подходят для любого дома или бизнеса.

Контакт с нами

О LEGINES

Legines Industrial Machinery Inc.

Как профессиональные производители латунных фитингов в Китае и нажимают на поставщиков фитингов. Он принимает полную обработку с ЧПУ и владеет площадью мастерской 3600 квадратных метров. 45 Автоматические машины, 35 полуавтоматических станок с ЧПУ, а также дистрибьюторов, которые стали важными поставщиками для производства латунных деталей американского стандарта в Китае ...
  • честь
  • честь

ИНСТРУКЦИИ & Новости