24 часа тел
0086-139 8951 3573
Бесплатный Inqiry
Электронная почта:[email protected]

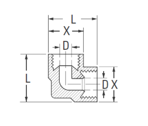
Полное руководство по фитингам с перевернутым раструбом: типы, размеры, установка и предотвращение утечек
Как инновации в материалах и инфраструктура формируют рынок трубопроводной арматуры?
Как ведущие производители латунных фитингов обеспечивают точность и качество?