legines.com
202 Инвертированные вспышные фитинги мужской разъем мужского

202 Инвертированные вспышные фитинги мужской разъем мужского

Особенности продукта:
■■ Вся медная конструкция
■■ UL перечислен для легковоспламеняющейся жидкости и газа
■■ Соответствует функциональным требованиям SAE J512
■■ Стальной орех для экономики

Рынки: Приложения:
■■ Кондиционер ■■ Хладагенные линии
■■ Морской пехотинец ■■ Тормозные линии
■■ Мобильный ■■ Топливные линии
■■ Двигатели

Совместимая трубка:
■■ Медь
■■ Латунь
■■ Алюминий
■■ Гидравлические трубки сварной стали

Справочная часть №:
2200 -48ifhd -202 -48w -200

Связаться с нами

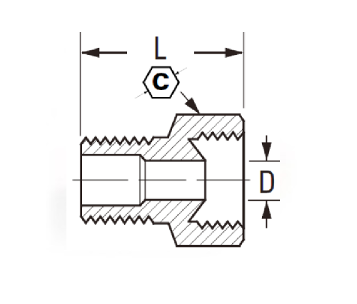
Спецификации

ЧАСТЬ#

Трубка o.d × нить

В

Дюймовый

Л

202-2A

1/8 × 1/8 13/32 .078 .62

202-3A

3/16 × 1/8 15/32 .125 .70

202-4A

1/4 × 1/8 17/32 .188 .74

202-4b

1/4 × 1/4 9/16 .188 .89

202-5A

5/16 × 1/8 19/32 .219 .79

202-5B

5/16 × 1/4 19/32 .220 .98

202-6A

3/8 × 1/8 3/4 ..281 .89

202-6b

3/8 × 1/4 3/4 .281 1.03

202-6с

3/8 × 3/8 3/4 .281 1.01

202-8b

1/2 × 1/4 29.32 .406 1.08

202-8с

1/2 × 3/8 29/32 .406 1.07

202-8d

1/2 × 1/2 29/32 .406 1.26

202-10d

5/8 × 1/2 1-1/16 .531 1.32

202-12E

3/4 × 3/4 1-1/4 .625 1.39

*Ref.Sae № 040102 BA

Перевернутые вспышки могут использоваться во многих приложениях. Эти фитинги построены из латуни, что обеспечивает долговечность и коррозионную стойкость. Интегрированные уплотнительные кольцевые уплотнения используются для обеспечения производительности без утечки. Подгонка SAE также соответствует требованиям SAE J512 для систем под давлением.
Мы предлагаем отличный выбор вспышек, включая супер-действующие, промышленные и стандартные розовые бубу. Наши инвертированные вспышки изготовлены из 100% латуни, что делает их идеальными для всех промышленных применений.
Инвертированные вспышки используются для подключения шлангов и труб к клапанам или другим устройствам. Они состоят из гайки зажима, фитинга трубки и запирающего кольца. Зажимая гайка затягивается на трубку и надежно удерживает трубку на месте, а фиксирующее кольцо предотвращает отталкивание трубки во время ее обслуживания. Сила затягивания достаточно велика, чтобы эти фитинги можно было использовать без ленты PTFE, но вы все равно должны смазать потоки перед сборкой.

Контакт с нами

О LEGINES

Legines Industrial Machinery Inc.

Как профессиональные производители латунных фитингов в Китае и нажимают на поставщиков фитингов. Он принимает полную обработку с ЧПУ и владеет площадью мастерской 3600 квадратных метров. 45 Автоматические машины, 35 полуавтоматических станок с ЧПУ, а также дистрибьюторов, которые стали важными поставщиками для производства латунных деталей американского стандарта в Китае ...
  • честь
  • честь

ИНСТРУКЦИИ & Новости