legines.com
105L Стальная трубка длинная резьба гайка

105L Стальная трубка длинная резьба гайка

Особенности продукта:
■■ Вся медная конструкция
■■ UL перечислен для легковоспламеняющейся жидкости и газа
■■ Соответствует функциональным требованиям SAE J512
■■ Стальной орех для экономики

Рынки: Приложения:
■■ Кондиционер ■■ Хладагенные линии
■■ Морской пехотинец ■■ Тормозные линии
■■ Мобильный ■■ Топливные линии
■■ Двигатели

Совместимая трубка:
■■ Медь
■■ Латунь
■■ Алюминий
■■ Гидравлические трубки сварной стали

Справочная часть №:

Связаться с нами

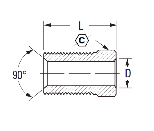
Спецификации

ЧАСТЬ#

Трубка О.Д.

В

Дюймовый

Л

105L-3

3/16 3/8 .196

.844

105L-4

1/4 7/16 .257 .812

Это латунная конструкция, длинная резьбовая гайка для трубки до 1/4 дюйма O.D. Материал. В ней включены UL, перечисленные для легковоспламеняющейся жидкости и газа, соответствует функциональным требованиям SAE J512 & UL 923/UL 181 и соответствует FMVS 135 & FMVS 302.
Ищете гайки из нержавеющей стали? Этот список для вас! Длинная резьба из нержавеющей стали 105L - отличное обновление вашей сантехнической системы, которая построена из всей латунной конструкции и соответствует функциональным требованиям SAE J512. Он поступает во многих размерах, поэтому не забудьте проверить их.

Контакт с нами

О LEGINES

Legines Industrial Machinery Inc.

Как профессиональные производители латунных фитингов в Китае и нажимают на поставщиков фитингов. Он принимает полную обработку с ЧПУ и владеет площадью мастерской 3600 квадратных метров. 45 Автоматические машины, 35 полуавтоматических станок с ЧПУ, а также дистрибьюторов, которые стали важными поставщиками для производства латунных деталей американского стандарта в Китае ...
  • честь
  • честь

ИНСТРУКЦИИ & Новости