legines.com
702 Инвертированные фарширующие фитинги союза

702 Инвертированные фарширующие фитинги союза

Особенности продукта:
■■ Вся медная конструкция
■■ UL перечислен для легковоспламеняющейся жидкости и газа
■■ Соответствует функциональным требованиям SAE J512
■■ Стальной орех для экономики

Рынки: Приложения:
■■ Кондиционер ■■ Хладагенные линии
■■ Морской пехотинец ■■ Тормозные линии
■■ Мобильный ■■ Топливные линии
■■ Двигатели

Совместимая трубка:
■■ Медь
■■ Латунь
■■ Алюминий
■■ Гидравлические трубки сварной стали

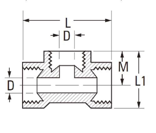
Справочная часть №:
244ifhd -702 -441

Связаться с нами

Спецификации

ЧАСТЬ#

Трубка О.Д.

Дюймовый

М

Л

702-2 1/8 .078 .330 .94
702-3 3/16 .125 .390 1.09
702-4 1/4 .188 .420 1.13
702-5 5/16 .219 .450 1.25
702-6 3/8 .281 .560 1.48
702-8 1/2 .406 .937 1.76

*Ref.Sae № 040401 BA

Инвертированная фитинга Flare Union используется для подключения двух трубок. Эта подгонка позволяет течь из одного соединения, чтобы выходить из противоположного соединения без снижения давления или потока. Он имеет полностью взаимосвязанную латунную конструкцию и имеет конструкцию, соответствующую SAE J512, что позволяет ему противостоять коррозии. Инвертированная футболка Flare Union может использоваться как в коммерческих, так и в промышленных приложениях, таких как кондиционер, линии хладагента, морские двигатели, тормозные линии и мобильные топливные линии.
Наши фитинги 702 инвертированного союза Flare составлены из латуни и соответствуют требованиям SAE J512. Он имеет стальной орех для экономики, которую можно использовать в линии антифриза, тормозной жидкости, морской охлаждающей воды и Goo.

Контакт с нами

О LEGINES

Legines Industrial Machinery Inc.

Как профессиональные производители латунных фитингов в Китае и нажимают на поставщиков фитингов. Он принимает полную обработку с ЧПУ и владеет площадью мастерской 3600 квадратных метров. 45 Автоматические машины, 35 полуавтоматических станок с ЧПУ, а также дистрибьюторов, которые стали важными поставщиками для производства латунных деталей американского стандарта в Китае ...
  • честь
  • честь

ИНСТРУКЦИИ & Новости